Jump to Navigation
Início

Fabricando e montando soluções

Usinagem seriada e não seriada através de maquinário convencional e CNC. Maior versatilidade, qualidade e rapidez na fabricação de peças que envolvam torneamento, frezamento, corte, dobra...

Conheça nossa soluções >>
  • Paesi
  • Usinagem de Precisão
  • Transmissões
  • Qualidade
  • Estudos de caso
  • Blog
  • Fale conosco

Usinagem de Precisão

  • Usinagem - Fresamento CNC
  • Usinagem - Torneamento com ferramenta acionada
  • Usinagem - Torneamento CNC
  • Torno CNC de Carros Multiplos para peças seriadas até 60mm
Mais soluções >>

Áreas de Atuação

  • Indústria de equipamentos agrícolas
  • Indústria de equipamentos petroquímicos
  • Indústria de máquinas e ferramentas
Mais áreas >>

Sobre a Paesi

  • Empresa
  • Usinagem de Precisão
  • Qualidade
  • Estudos de Caso

Entre em contato

Av. João Alberto, 895, Bairro Vicentina São Leopoldo - RS

Mapa no google maps >> (51) 3589.6852 / 3589.8689
Início ›

AM003

AM003

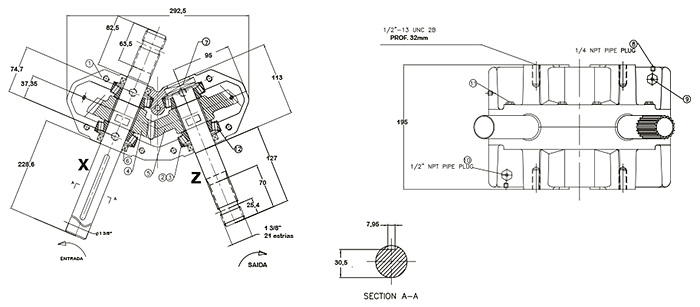
Transmissão AM003

<< Voltar

Imagens

Veja algumas imagens relacionadas a este equipamento:

  • AM003
  • AM003
Paesi Metalúrgica - Fabricando e Montando Soluções

Av. João Alberto, 895, Bairro Vicentina, São Leopoldo - RS - CEP 93025-490 - Telefone: 51 3589.6852 / 3589.8689

SiriusPrime